-rsdc8wn--d08700.gif
-rsdc8wn--d08700.gif

RSDC8WN

Fiyat : $81.14
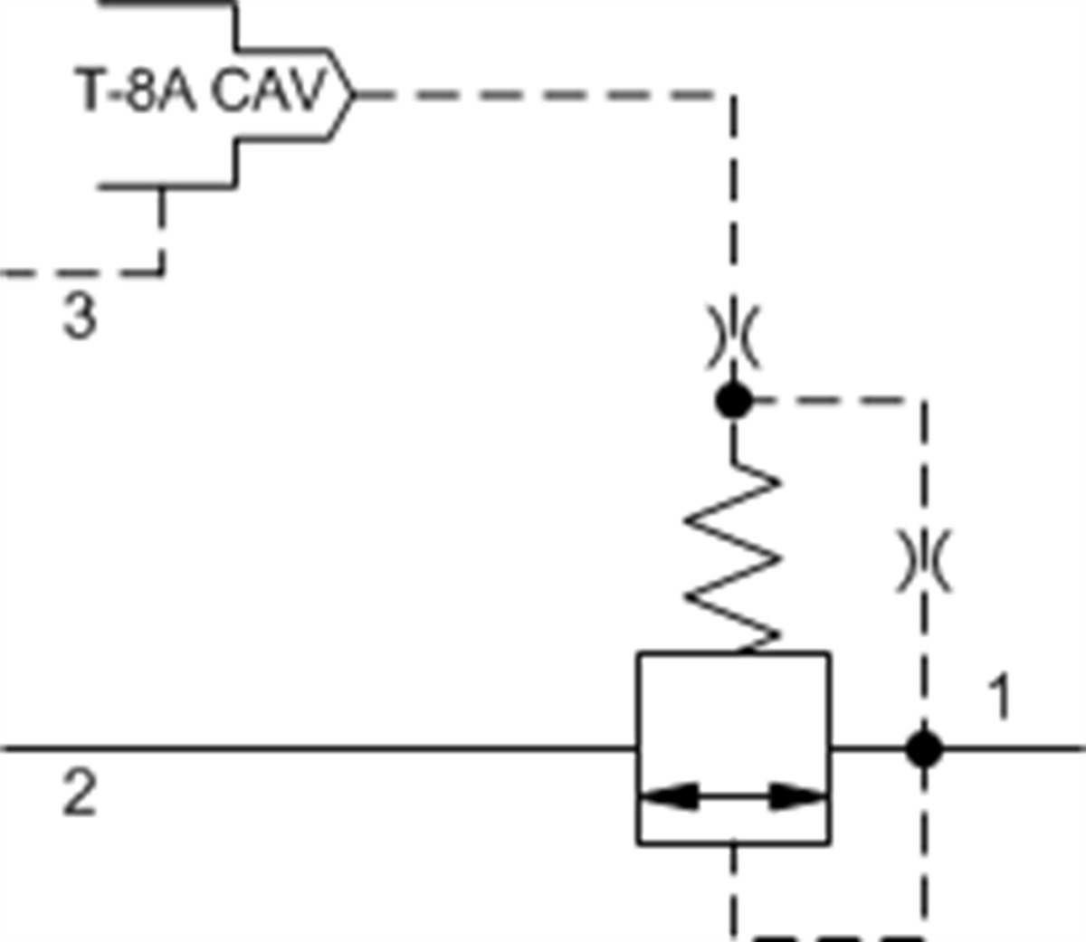
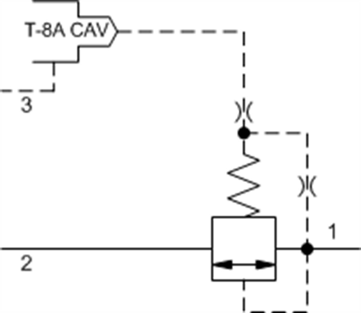
Pilot-operated, balanced piston sequence main stage with integral T-8A control cavity
:
RSDC8

Note: Data may vary by configuration. See CONFIGURATION section.
Cavity T-11A
Series 1
Capacity 15 gpm60 L/min.
Maximum Operating Pressure 5000 psi350 bar
Control Pilot Flow 7 - 10 in³/min.0,11 - 0,16 L/min.
Pilot Control Cavity T-8AT-8A
Main stage leakage at 110 SUS (24 cSt) 2 in³/min.@1000 psi30 cc/min.@70 bar
Response Time - Typical 10 ms10 ms
Valve Hex Size 7/8 in.22,2 mm
Valve Installation Torque 30 - 35 lbf ft41 - 47 Nm
Model Weight .30 lb0,15 kg
Seal kit - Cartridge Buna: 990011007
Seal kit - Cartridge EPDM: 990011014
Seal kit - Cartridge Polyurethane: 990011002
Seal kit - Cartridge Viton: 990011006


RSDC8
Düşük Geçirgenlik
0-150 lpm
cultureSettings.RegionId: 0 cultureSettings.LanguageCode: TR
/* */
Çerez Kullanımı

Sizlere en iyi alışveriş deneyimini sunabilmek adına sitemizde çerezler(cookies) kullanmaktayız. Detaylı bilgi için Kvkk sözleşmesini inceleyebilirsiniz.