-ppdl8wn--c78f-2.gif
-ppdl8wn--c78f-2.gif

PPDL8WN

Fiyat : $103.40
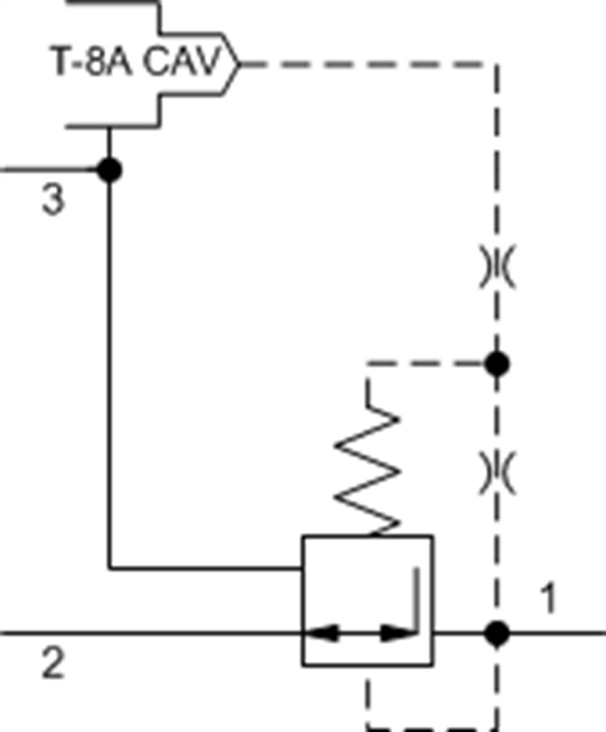
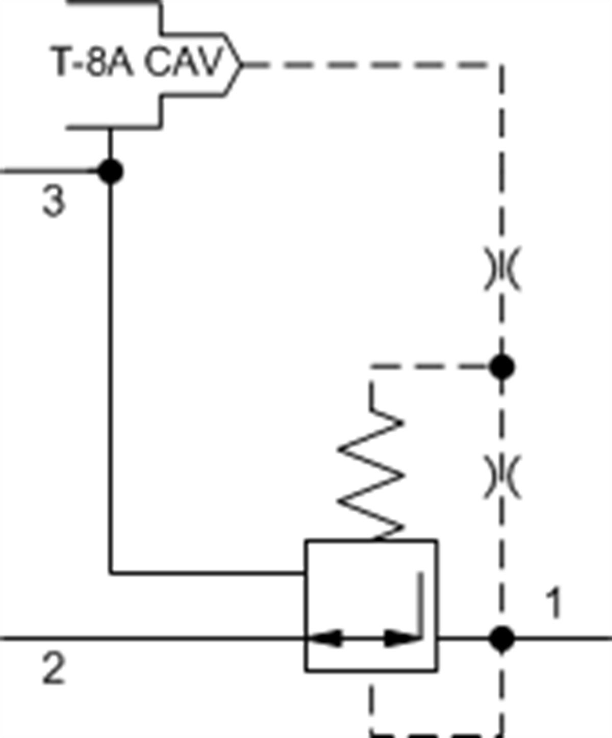
Pilot-operated, pressure reducing/relieving main stage with open transition and integral T-8A control cavity
:
PPDL8

Note: Data may vary by configuration. See CONFIGURATION section.
Cavity T-11A
Series 1
Capacity 10 gpm40 L/min.
Maximum Operating Pressure 5000 psi350 bar
Control Pilot Flow 25 - 30 in³/min.0,40 - 0,50 L/min.
Pilot Control Cavity T-8AT-8A
Pilot Control Valve Installation Torque 20 - 25 lbf ft27 - 33 Nm
Pilot Control Valve Hex Size 7/8 in.22,2 mm
Valve Hex Size 7/8 in.22,2 mm
Valve Installation Torque 30 - 35 lbf ft41 - 47 Nm
Model Weight .30 lb0,15 kg
Seal kit - Cartridge Buna: 990011007
Seal kit - Cartridge EPDM: 990011014
Seal kit - Cartridge Polyurethane: 990011002
Seal kit - Cartridge Viton: 990011006


PPDL8
Düşük Geçirgenlik
0-150 lpm
cultureSettings.RegionId: 0 cultureSettings.LanguageCode: TR
/* */
Çerez Kullanımı

Sizlere en iyi alışveriş deneyimini sunabilmek adına sitemizde çerezler(cookies) kullanmaktayız. Detaylı bilgi için Kvkk sözleşmesini inceleyebilirsiniz.