-pbjf8wn--4eb40-.gif
-pbjf8wn--4eb40-.gif

PBJF8WN

Fiyat : $365.12
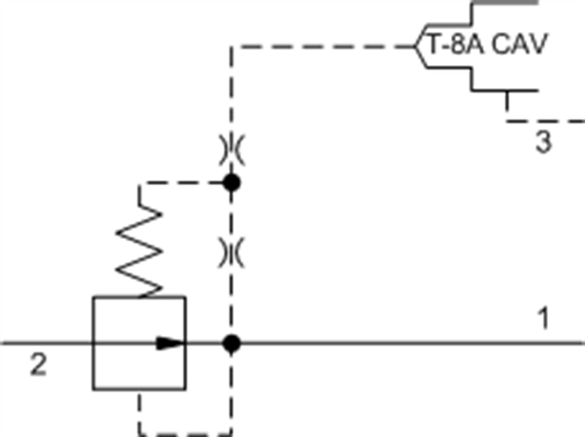
Pilot-operated, pressure reducing main stage with drilled piston orifice and integral T-8A control cavity
:
PBJF8

Note: Data may vary by configuration. See CONFIGURATION section.
Cavity T-19A
Series 4
Capacity 80 gpm320 L/min.
Maximum Operating Pressure 5000 psi350 bar
Factory Pressure Settings Established at blocked control port (dead headed)blocked control port (dead headed)
Control Pilot Flow 15 - 20 in³/min.0,25 - 0,33 L/min.
Pilot Control Cavity T-8AT-8A
Valve Hex Size 1 5/8 in.41,3 mm
Valve Installation Torque 350 - 375 lbf ft474 - 508 Nm
Model Weight 2.90 lb1,30 kg
Seal kit - Cartridge Buna: 990019007
Seal kit - Cartridge Polyurethane: 990019002
Seal kit - Cartridge Viton: 990019006


PBJF8
Yüksek Geçirgenlik
300-1000 lpm
cultureSettings.RegionId: 0 cultureSettings.LanguageCode: TR
/* */
Çerez Kullanımı

Sizlere en iyi alışveriş deneyimini sunabilmek adına sitemizde çerezler(cookies) kullanmaktayız. Detaylı bilgi için Kvkk sözleşmesini inceleyebilirsiniz.