-pbhf8wn--faa35d.gif
-pbhf8wn--faa35d.gif

PBHF8WN

Fiyat : $215.58
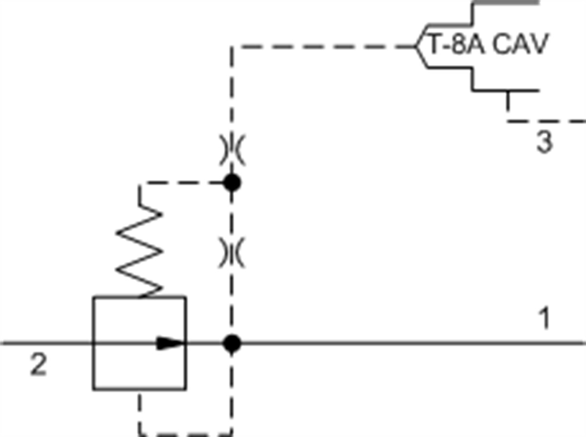
Pilot-operated, pressure reducing main stage with drilled piston orifice and integral T-8A control cavity
:
PBHF8

Note: Data may vary by configuration. See CONFIGURATION section.
Cavity T-17A
Series 3
Capacity 40 gpm160 L/min.
Maximum Operating Pressure 5000 psi350 bar
Factory Pressure Settings Established at blocked control port (dead headed)blocked control port (dead headed)
Control Pilot Flow 15 - 20 in³/min.0,25 - 0,33 L/min.
Pilot Control Cavity T-8AT-8A
Valve Hex Size 1 1/4 in.31,8 mm
Valve Installation Torque 150 - 160 lbf ft203 - 217 Nm
Model Weight 1.30 lb0,60 kg
Seal kit - Cartridge Buna: 990017007
Seal kit - Cartridge EPDM: 990017014
Seal kit - Cartridge Polyurethane: 990017002
Seal kit - Cartridge Viton: 990017006


PBHF8
Orta Geçirgenlik
150-300 lpm
cultureSettings.RegionId: 0 cultureSettings.LanguageCode: TR
/* */
Çerez Kullanımı

Sizlere en iyi alışveriş deneyimini sunabilmek adına sitemizde çerezler(cookies) kullanmaktayız. Detaylı bilgi için Kvkk sözleşmesini inceleyebilirsiniz.