-lofcxdn--b3f04b.gif
-lofcxdn--b3f04b.gif

LOFCXDN

Fiyat : $79.53
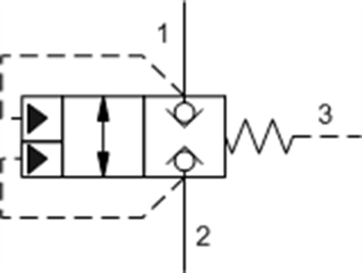
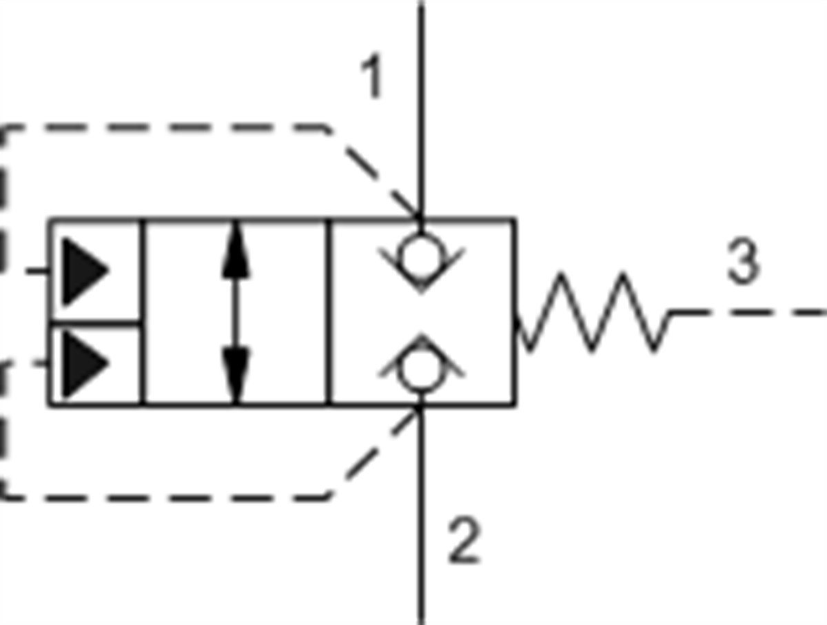
Pilot-to-close, spring-biased closed, unbalanced poppet logic element
:
LOFC

Note: Data may vary by configuration. See CONFIGURATION section.
Cavity T-2A
Series 2
Capacity 50 gpm200 L/min.
Maximum Operating Pressure 5000 psi350 bar
Maximum Valve Leakage at 110 SUS (24 cSt) 10 drops/min.0,7 cc/min.
Pilot Volume Displacement .07 in³1,1 cc
Pilot Passage into Valve .035 in.0,9 mm
Area Ratio, A3 to A1 1.8:11.8:1
Area Ratio, A3 to A2 2.25:12.25:1
Valve Hex Size 1 1/8 in.28,6 mm
Valve Installation Torque 45 - 50 lbf ft61 - 68 Nm
Seal kit - Cartridge Buna: 990202007
Seal kit - Cartridge Polyurethane: 990002002
Seal kit - Cartridge Viton: 990202006


LOFC
Orta Geçirgenlik
150-300 lpm
cultureSettings.RegionId: 0 cultureSettings.LanguageCode: TR
/* */
Çerez Kullanımı

Sizlere en iyi alışveriş deneyimini sunabilmek adına sitemizde çerezler(cookies) kullanmaktayız. Detaylı bilgi için Kvkk sözleşmesini inceleyebilirsiniz.