-fkebxcn--09be8b.gif
-fkebxcn--09be8b.gif

FKEBXCN

Fiyat : $171.05
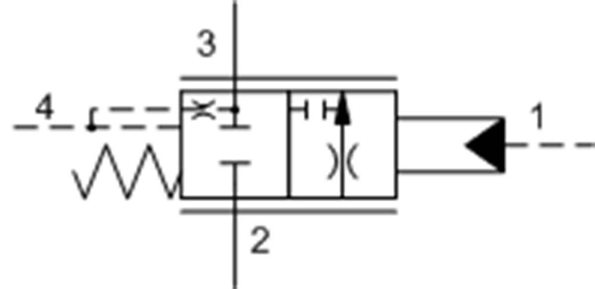
2-way, pilot-shifted, proportional throttle with bleed down, high capacity
:
FKEB

Note: Data may vary by configuration. See CONFIGURATION section.
Cavity T-22A
Series 2
Capacity 20 gpm80 L/min.
Maximum Operating Pressure 5000 psi350 bar
Maximum Valve Leakage at 110 SUS (24 cSt) 2 in³/min.@1000 psi30 cc/min.@70 bar
Pilot Volume Displacement .30 in³4,9 cc
Minimum Pilot Pressure to Operate 100 psi7 bar
Bypass orifice .03 in.0,8 mm
Hysteresis ± 2 %± 2 %
Adjustment - No. of CW Turns from Min. to Max. setting 55
Valve Hex Size 1 1/8 in.28,6 mm
Valve Installation Torque 45 - 50 lbf ft61 - 68 Nm
Adjustment Screw Internal Hex Size 5/32 in.4 mm
Locknut Hex Size 9/16 in.15 mm
Locknut Torque 80 - 90 lbf in.9 - 10 Nm
Model Weight .30 lb0,15 kg
Seal kit - Cartridge Buna: 990022002
Seal kit - Cartridge Polyurethane: 990022002
Seal kit - Cartridge Viton: 990022006


FKEB
Düşük Geçirgenlik
0-150 lpm
cultureSettings.RegionId: 0 cultureSettings.LanguageCode: TR
/* */
Çerez Kullanımı

Sizlere en iyi alışveriş deneyimini sunabilmek adına sitemizde çerezler(cookies) kullanmaktayız. Detaylı bilgi için Kvkk sözleşmesini inceleyebilirsiniz.