-fkbbxcn--2-46b7.gif
-fkbbxcn--2-46b7.gif

FKBBXCN

Fiyat : $127.81
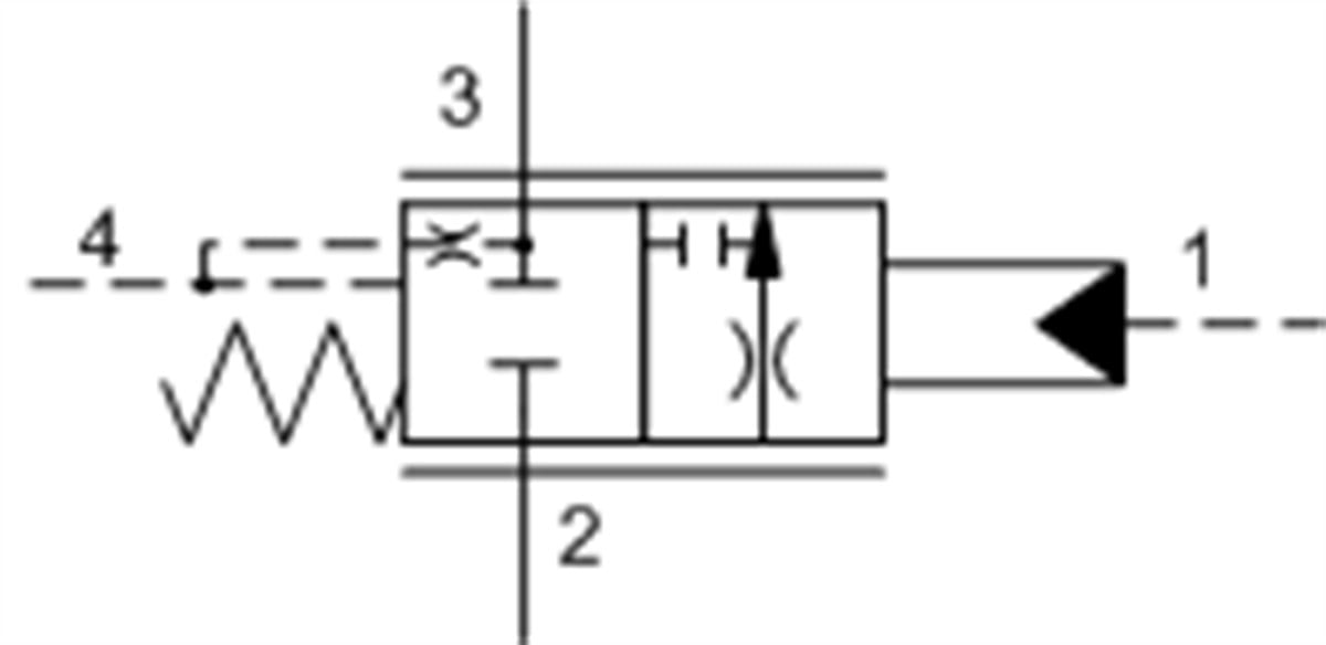
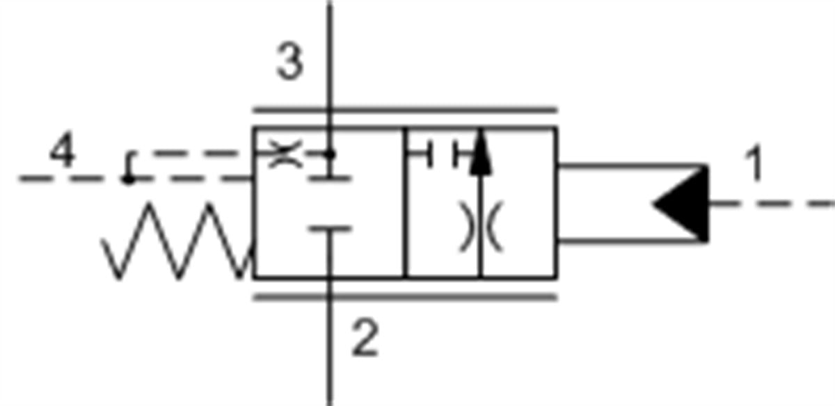
2-way, pilot-shifted, proportional throttle with bleed down
:
FKBB

Note: Data may vary by configuration. See CONFIGURATION section.
Cavity T-21A
Series 1
Capacity 5 gpm20 L/min.
Maximum Operating Pressure 5000 psi350 bar
Maximum Valve Leakage at 110 SUS (24 cSt) 2 in³/min.@1000 psi30 cc/min.@70 bar
Pilot Volume Displacement .02 in³0,33 cc
Minimum Pilot Pressure to Operate 100 psi7 bar
Bypass orifice .03 in.0,8 mm
Hysteresis ± 2 %± 2 %
Adjustment - No. of CW Turns from Min. to Max. setting 55
Valve Hex Size 7/8 in.22,2 mm
Valve Installation Torque 30 - 35 lbf ft41 - 47 Nm
Adjustment Screw Internal Hex Size 5/32 in.4 mm
Locknut Hex Size 9/16 in.15 mm
Locknut Torque 80 - 90 lbf in.9 - 10 Nm
Model Weight .30 lb0,15 kg
Seal kit - Cartridge Buna: 990021007
Seal kit - Cartridge Polyurethane: 990021002
Seal kit - Cartridge Viton: 990021006


FKBB
Düşük Geçirgenlik
0-150 lpm
cultureSettings.RegionId: 0 cultureSettings.LanguageCode: TR
/* */
Çerez Kullanımı

Sizlere en iyi alışveriş deneyimini sunabilmek adına sitemizde çerezler(cookies) kullanmaktayız. Detaylı bilgi için Kvkk sözleşmesini inceleyebilirsiniz.