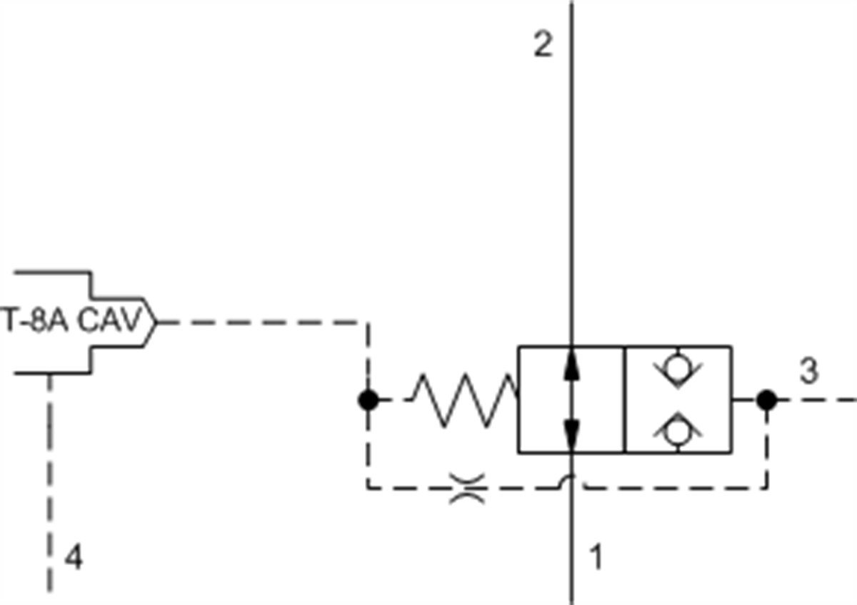
DODR8HN Normally open, balanced poppet, logic element with integral T-8A control cavity - vent-to-close

DODR8HN Normally open, balanced poppet, logic element with integral T-8A control cavity - vent-to-close

Price : $133.80
:
DODR8

Note: Data may vary by configuration. See CONFIGURATION section.
Cavity T-21A
Series 1
Capacity 15 gpm60 L/min.
Maximum Operating Pressure 5000 psi350 bar
Minimum Pilot Pressure Required to Shift Valve 400 psi28 bar
Control Pilot Flow See Performance DataSee Performance Data
Maximum Valve Leakage at 110 SUS (24 cSt) 10 drops/min.@5000 psi0,7 cc/min.@350 bar
Pilot Control Cavity T-8AT-8A
Pilot Control Valve Installation Torque 20 - 25 lbf ft27 - 33 Nm
Pilot Control Valve Hex Size 7/8 in.22,2 mm
Valve Hex Size 7/8 in.22,2 mm
Valve Installation Torque 30 - 35 lbf ft41 - 47 Nm
Model Weight .35 lb0,15 kg
Seal kit - Cartridge Buna: 990021007
Seal kit - Cartridge Polyurethane: 990021002
Seal kit - Cartridge Viton: 990021006


DODR8
Low Flow Rate
0-150 lpm
cultureSettings.RegionId: 0 cultureSettings.LanguageCode: EN
/* */
Çerez Kullanımı

Sizlere en iyi alışveriş deneyimini sunabilmek adına sitemizde çerezler(cookies) kullanmaktayız. Detaylı bilgi için Kvkk sözleşmesini inceleyebilirsiniz.