-dvbp8fn--8b5b74.gif
-dvbp8fn--8b5b74.gif

DVBP8FN

Fiyat : $141.19
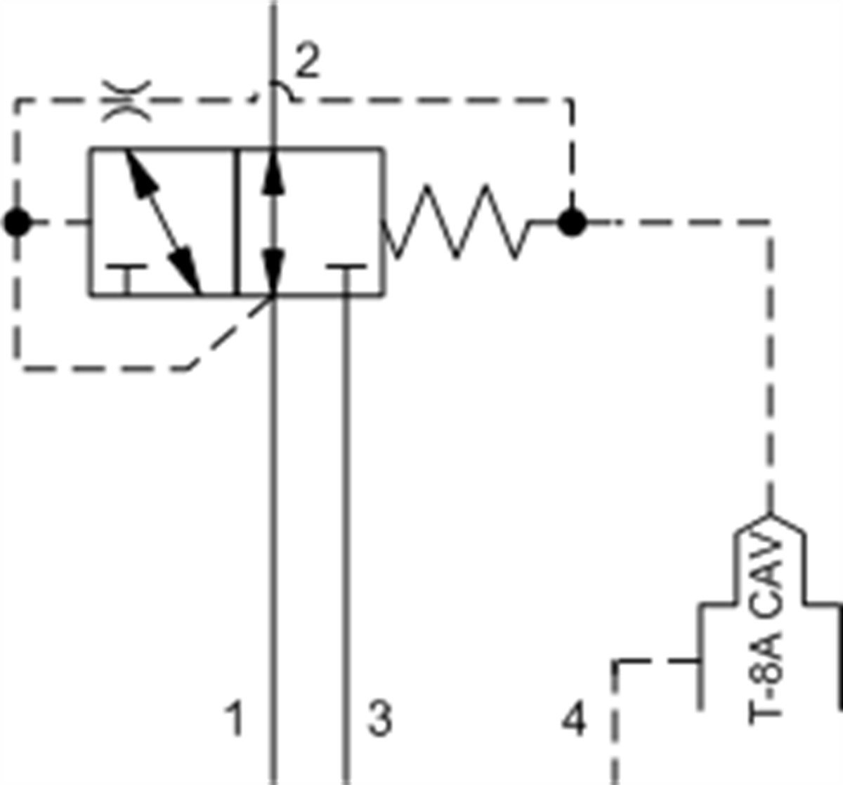
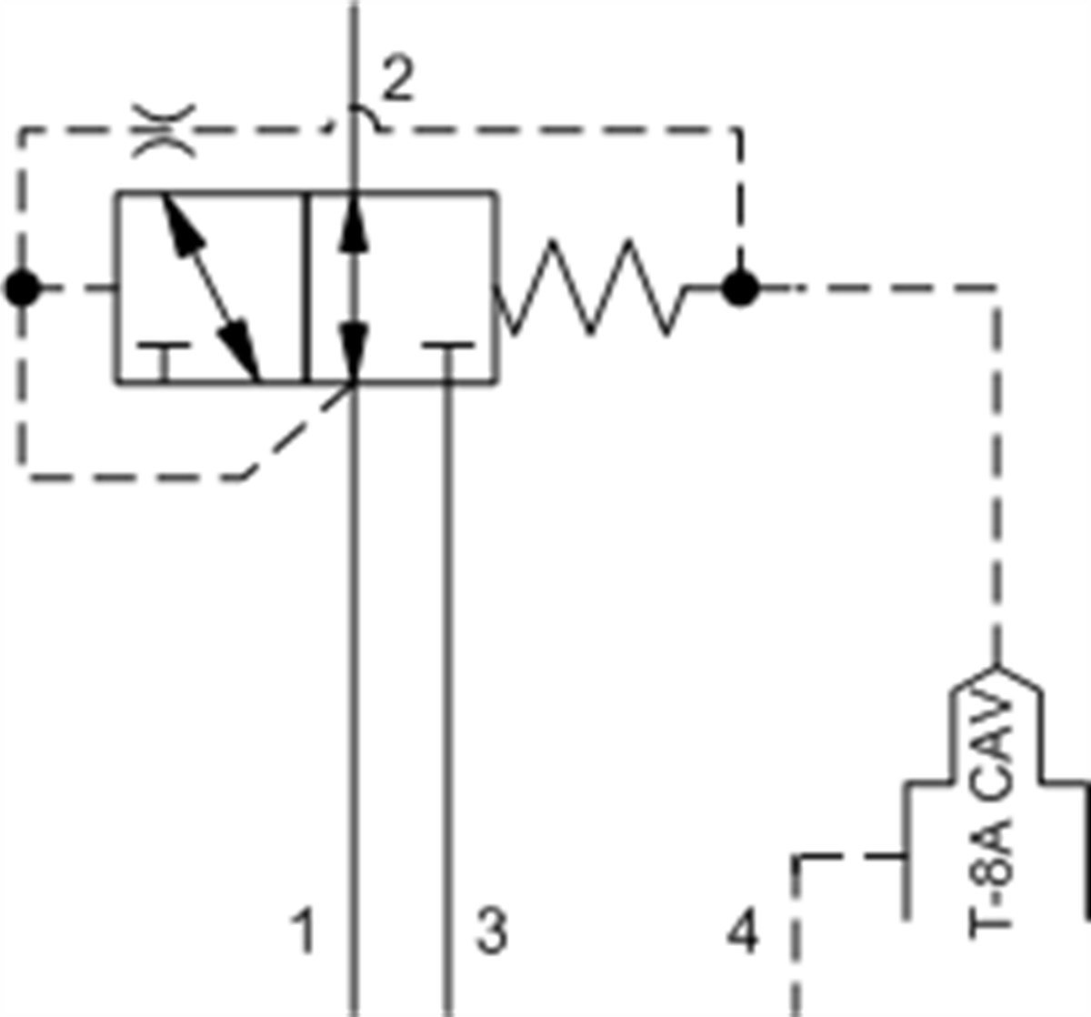
3-way, vent-to-operate, directional valve with drain to port 4 and integral T-8A control cavity (1 to 2 open, 3 blocked)
:
DVBP

Note: Data may vary by configuration. See CONFIGURATION section.
Cavity T-21A
Series 1
Capacity 7 gpm28 L/min.
Maximum Operating Pressure 5000 psi350 bar
Control Pilot Flow 7 - 10 in³/min.0,11 - 0,16 L/min.
Maximum Valve Leakage at 110 SUS (24 cSt) 2 in³/min.@1000 psi30 cc/min.@70 bar
Pilot Control Cavity T-8AT-8A
Valve Hex Size 7/8 in.22,2 mm
Valve Installation Torque 30 - 35 lbf ft41 - 47 Nm
Model Weight .50 lb0,25 kg
Seal kit - Cartridge Buna: 990021007
Seal kit - Cartridge Polyurethane: 990021002
Seal kit - Cartridge Viton: 990021006


DVBP
Düşük Geçirgenlik
0-150 lpm
cultureSettings.RegionId: 0 cultureSettings.LanguageCode: TR
/* */
Çerez Kullanımı

Sizlere en iyi alışveriş deneyimini sunabilmek adına sitemizde çerezler(cookies) kullanmaktayız. Detaylı bilgi için Kvkk sözleşmesini inceleyebilirsiniz.