-daappcn--f94f7-.gif
-daappcn--f94f7-.gif

DAAPPCN

Fiyat : $143.76
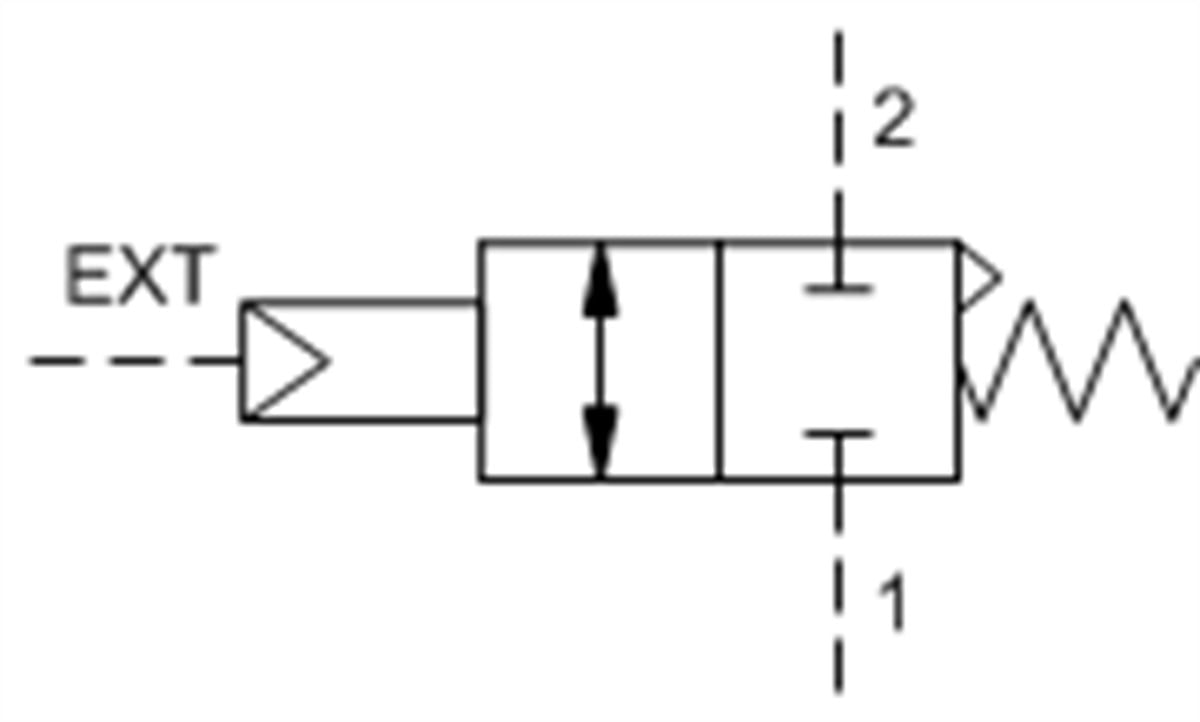
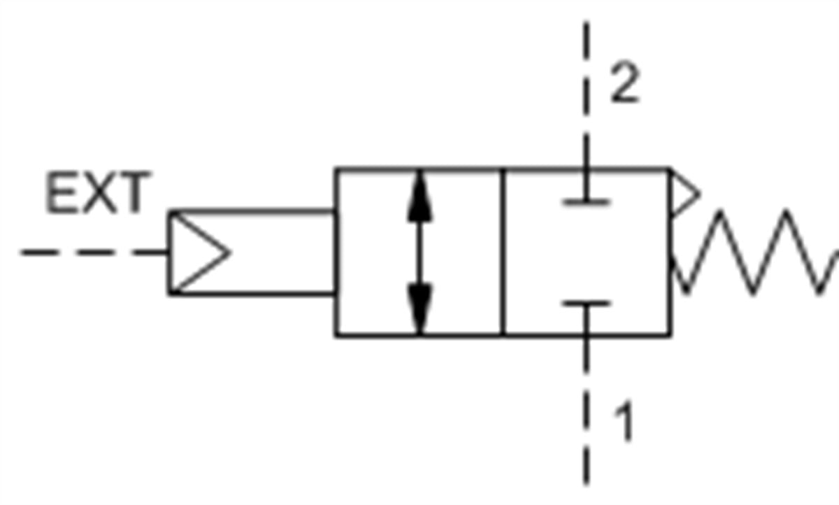
2-way, air-operated, spool directional valve - pilot capacity
:
DAAP

Note: Data may vary by configuration. See CONFIGURATION section.
Cavity T-8A
Series P
Capacity .25 gpm1 L/min.
Maximum Operating Pressure 5000 psi350 bar
Maximum Valve Leakage at 110 SUS (24 cSt) 10 drops/min.@5000 psi0,7 cc/min.@350 bar
Minimum Pilot Pressure to Operate See Technical FeaturesSee Technical Features
Pilot Control Port See Control OptionsSee Control Options
Valve Hex Size 7/8 in.22,2 mm
Valve Installation Torque 20 - 25 lbf ft27 - 33 Nm
Seal kit - Cartridge Buna: 990508007
Seal kit - Cartridge Viton: 990508006


DAAP
Düşük Geçirgenlik
0-150 lpm
cultureSettings.RegionId: 0 cultureSettings.LanguageCode: TR
/* */
Çerez Kullanımı

Sizlere en iyi alışveriş deneyimini sunabilmek adına sitemizde çerezler(cookies) kullanmaktayız. Detaylı bilgi için Kvkk sözleşmesini inceleyebilirsiniz.