-cacalhn--919b3a.gif
-cacalhn--919b3a.gif

CACALHN

Fiyat : $107.68
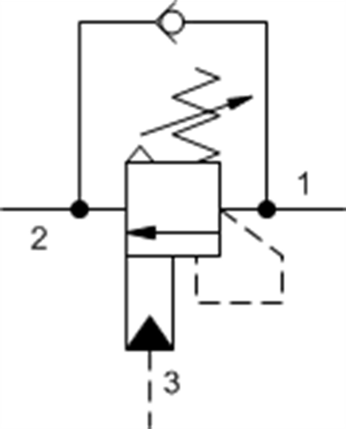
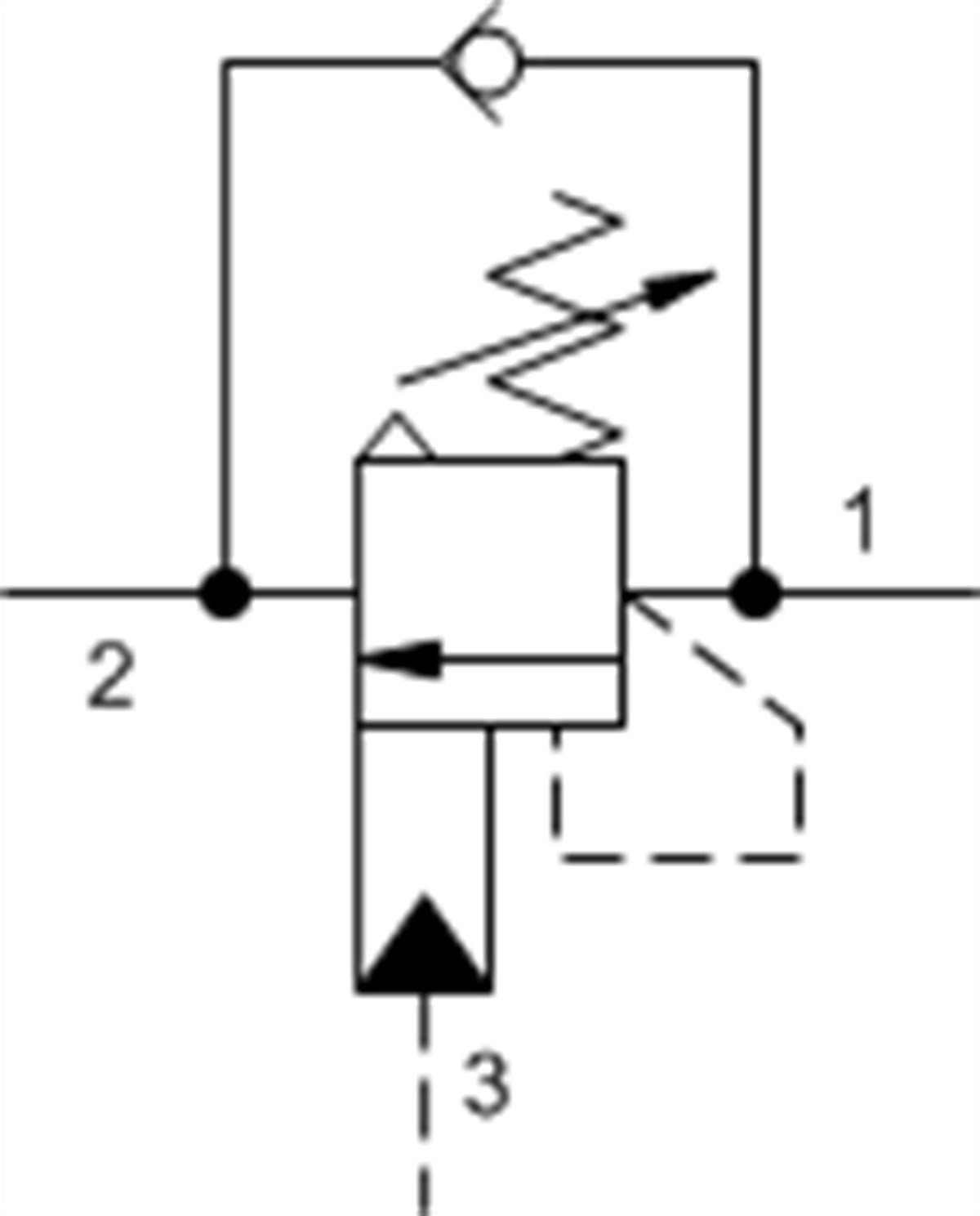
3:1 pilot ratio, vented counterbalance valve - atmospherically referenced
:
CACA

Note: Data may vary by configuration. See CONFIGURATION section.
Cavity T-11A
Series 1
Capacity 15 gpm60 L/min.
Pilot Ratio 3:13:1
Maximum Recommended Load Pressure at Maximum Setting 3075 psi215 bar
Maximum Setting 4000 psi280 bar
Factory Pressure Settings Established at 2 in³/min.30 cc/min.
Maximum Valve Leakage at Reseat 5 drops/min.0,3 cc/min.
Check Cracking Pressure 40 psi2,8 bar
Adjustment - No. of CCW Turns from Min. to Max. Setting 55
Operating Characteristic StandardStandard
Reseat >85% of setting>85% of setting
Valve Hex Size 7/8 in.22,2 mm
Valve Installation Torque 30 - 35 lbf ft41 - 47 Nm
Adjustment Screw Internal Hex Size 5/32 in.4 mm
Locknut Hex Size 9/16 in.15 mm
Locknut Torque 80 - 90 lbf in.9 - 10 Nm
Model Weight .40 lb0,20 kg
Seal kit - Cartridge Buna: 990211007
Seal kit - Cartridge Viton: 990211006


CACA
Düşük Geçirgenlik
0-150 lpm
cultureSettings.RegionId: 0 cultureSettings.LanguageCode: TR
/* */
Çerez Kullanımı

Sizlere en iyi alışveriş deneyimini sunabilmek adına sitemizde çerezler(cookies) kullanmaktayız. Detaylı bilgi için Kvkk sözleşmesini inceleyebilirsiniz.